Описание
Нержавеющая сталь является основным материалом для изготовления современных дымоходов благодаря сочетанию жаропрочности, коррозионной устойчивости и стабильной работы при длительных температурных нагрузках. А гладкая внутренняя поверхность нержавеющего дымохода минимизирует образование сажи, улучшает тягу и увеличивает срок службы отопительного оборудования. Марка AISI 304 применяется для подключения каминов, печей и твердотопливных котлов с температурой дымовых газов до 600–700 °C. В силу большого количества никеля в стали AISI 304, она является аустенитной, а следовательно стабильной по структуре и не склонной к межкристаллитной коррозии. Устойчива к воздействию окружающей среды в любых климатических условиях.
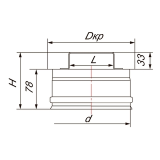
Ревизия на расширителе, без изоляции, на трубу с диаметром 250 мм.
Материал изготовления: нержавеющая сталь AISI 321, матовая.
| Материал изготовления | Нержавеющая сталь |
| Диаметр, мм | 250 |
| H, мм | 111.5 |
| L, мм | 166 |
| Dкр, мм | 265 |
| Изоляция, мм | Без изоляции |
| Наружный контур дымохода | AISI 321 (матовая) |
| Толщина наружного контура, мм | 0.5 |





