Описание
Марка AISI 321 хорошо переносит длительные высокие температуры и устойчива к межкристаллитной коррозии, сохраняет прочность при циклическом нагреве и охлаждении. Её применяют для большинства сэндвич-дымоходов с базальтовой изоляцией и интенсивным режимом работы, где температура дымовых газов может достигать 700–800 °C.
Материал дымохода определяет его устойчивость к высокой температуре и сам уровень допустимых для взаимодействия с дымоходом температур, а также стойкость труб к конденсату и срок их службы.
Нержавеющая сталь является основным материалом для изготовления современных дымоходов благодаря сочетанию жаропрочности, коррозионной устойчивости и стабильной работы при длительных температурных нагрузках. А гладкая внутренняя поверхность нержавеющего дымохода минимизирует образование сажи, улучшает тягу и увеличивает срок службы отопительного оборудования.
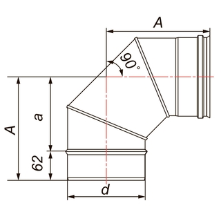
Отвод 90° на расширителе, без изоляции, на трубу с диаметром 250 мм.
Материал изготовления: нержавеющая сталь AISI 321 (матовая), толщина 0,5 мм.
| Материал изготовления | Нержавеющая сталь |
| Диаметр, мм | 250 |
| А, мм | 312 |
| a, мм | 250 |
| Изоляция, мм | Без изоляции |
| Наружный контур дымохода | AISI 321 (матовая) |
| Толщина наружного контура, мм | 0.5 |
| Масса, кг | 1.8 |





